Saturday, August 15, 2015

Samsung gt s7562 Samsung Galaxy S Duos S7562 Sim Card not Working solution

smartphones for sale | phone number for virgin mobile | sale smartphone | smart cellphones | smartphone sale | smartphones for sale | smartphones on sale | sony mobile help | t mobile help and support | t mobile help desk | t mobile help online | virgin customer service phone number | virgin free phone number | virgin mobile help | virgin mobile help number | virgin mobile lost phone | virgin mobile phone number | virgin mobile service | virgin phone line | virgin phone number
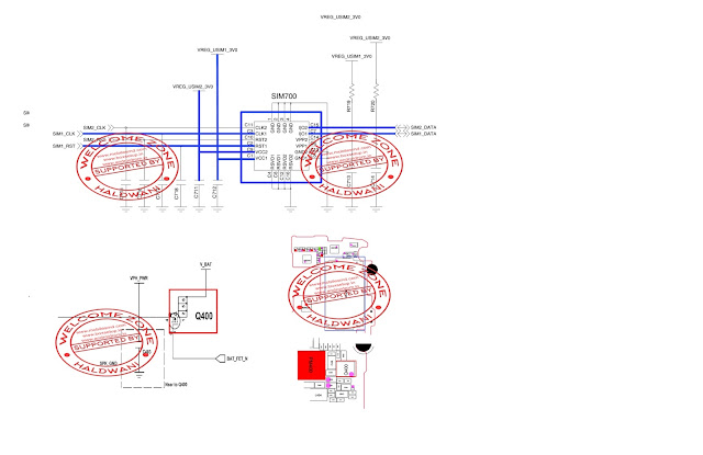
Samsung gt s7562 Samsung Galaxy S Duos S7562 Sim Card not Working solution Schematic, Diagram,Circuit

Samsung gt s7562 Samsung Galaxy S Duos S7562 Sim Card not Working solution Step By Step

Step 1
Insert & Operate
SIM card

Step 2
SIM Connector
Break down?

Change SIM700

Step 3
R719,R720
= 3.0V

Check PM400(PMIC)

Resolder SIM700

Step 4
Check data,clk,reset line

Resolder or Replace
PM400

Change PBA



JUMPER




Unofficial Support Site By Welcome Zone haldwani

HOME
Search Tags
Samsung Galaxy GT S  Duos S7562 Sim Card Solution
Samsung Galaxy GT S Duos S7562 Sim Card  Not Working Solution
Samsung Galaxy GT S Duos S7562 Insert Sim Card Jumper solution

Android App For This Site
Download

Samsung Usb Drivers
Samsung Android Usb Driver Download

Facebook Page
Do You Want More Update Click Here And Like This Page

computer science course online | computer science degree syllabus | computer science help online | computer science learn online | computer science lectures online | computer science online course | cs final subjects | cs online school | degree computer | degree in programming | free computer classes online | free online computer classes | intro to computer science online | learn computer science online | learn computer science online free | mit computer science online | msc computer science online | online bachelor in computer science | online bachelor of computer science | online bsc computer science | online computer classes | online computer classes free | online computer coding classes | online computer coding courses | online masters cs | online ms in cs | online msc computer science | online projects for computer science students | programming degree | teach computer science online | what is computer science degree

Labels

brand new desktop computers
cheap refurbished laptops
computer desktop packages
computer discount
desktop computer new
desktop computer package deals
desktop computer packages
desktop pc package deals
desktop pc packages
discount computer parts
discount computers
discount desktop computers
discount laptop computers
laptop computer sales
laptop computers for sale
laptop sale
laptops for sale
new computer desktop
new desktop
new desktop computer
new desktop computer with windows 7
new desktop pc
new pc desktop
new windows 7 desktop computers
pc desktop package
refurbished computers
refurbished desktop computers
refurbished laptops
refurbished notebooks
refurbished pc
used laptop for sale